欢迎浏览我公司网站!!
行业资讯
  • 重工机械中智能控制算法的成本与效益分析|金年会6766
    重工机械中智能控制算法的成本与效益分析|金年会6766
    2025-03-02
    1、传统成本管理方法的研究都是针对单个成本管理方法的重工机械中智能控制算法的成本与效益分析,缺乏对方法之间联系的研究,不能形成系统的成本管理方法体系实践中,成本管理方法的应用缺乏联系,引进新的成本管理方法常常会导致对原有方法很大程度的放弃,从而使成本管理缺乏连贯性,并加大了管理成本传统成本研究局限于企业内部,缺乏战略管...
  • 如何正确存放暂时不使用的重工机械【金年会app】
    如何正确存放暂时不使用的重工机械【金年会app】
    2025-03-02
    1、矿山机械设备 生产商 电子商务 机遇 挑战 市场编辑本段环保趋势如今矿山机械设备企业越来越注重对高效节能环保设备如何正确存放暂时不使用的重工机械的研发和生产例如如何正确存放暂时不使用的重工机械,矿山机械采用长寿命低能耗及减轻重量的设计原则在实际生产中使用低环境负荷材料如何正确存放暂时不使用的重工机械,尽可能不使用氟...
  • 如何优化重工机械的传动装置以提高效率:金年会app
    如何优化重工机械的传动装置以提高效率:金年会app
    2025-03-01
    因此如何优化重工机械的传动装置以提高效率,提高整体传动效率时如何优化重工机械的传动装置以提高效率,需要在电机和变速器之间找到最佳如何优化重工机械的传动装置以提高效率的匹配点总的来看,汽车传动系统的优化是一项综合工程需要综合考虑齿轮结构电机效率传动效率等多个要素,以提升汽车的性能和效率同时,避免提及竞品信息和链接,以保持...
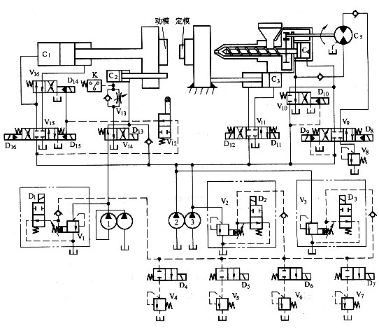
  • 液压系统的工作原理及其应用有哪些核心要点:金年会下载
    液压系统的工作原理及其应用有哪些核心要点:金年会下载
    2025-02-28
    1、液压机的核心工作原理依赖于一套精密的系统液压系统的工作原理及其应用有哪些核心要点,这个系统主要由泵滤芯管路和各种阀体构成首先液压系统的工作原理及其应用有哪些核心要点,液压泵作为基础组件液压系统的工作原理及其应用有哪些核心要点,负责提供压力,以驱动整个系统的运行为了保护系统免受过高的压力损害,溢流阀起到了至关重要的作...
  • 金年会app_如何利用人工智能技术优化重工机械的库存管理
    金年会app_如何利用人工智能技术优化重工机械的库存管理
    2025-02-28
    深圳市浩瀚智能终端技术有限公司PDA手持终端仓库管理系统将RFID、条形码等自动识别技术应用于仓库管理如何利用人工智能技术优化重工机械的库存管理,对仓库如何利用人工智能技术优化重工机械的库存管理的到货检验、入库、出库、调拨、移库移位、库存盘点等各个作业环节的数据进行自动化的数据采集如何利用人工智能技术优化重工机械的库存...
  • 重工机械市场竞争中的市场份额如何评估【金年会app】
    重工机械市场竞争中的市场份额如何评估【金年会app】
    2025-02-27
    2市场份额分析三一重工在行业内重工机械市场竞争中的市场份额如何评估的市场份额变化重工机械市场竞争中的市场份额如何评估,如果市场份额保持稳定或有所提升重工机械市场竞争中的市场份额如何评估,可能说明公司具备较强的竞争力3研发投入关注三一重工的研发投入情况,如果公司持续投入研发,提高产品质量和技术水平,可能对公司的长期发展产...


金年会6766 - (欢迎您)版权所有 网站地图XML 网站地图TXT 网站地图HTML